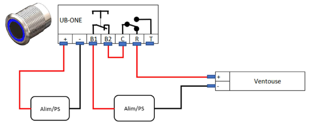
Met de Druk- en Contactloze Knop UB-One van Intratone opent u eenvoudig deuren, zowel door te drukken als contactloos. De knop heeft 7 instelbare LED-kleuren en een buzzer die aan of uit kan worden gezet. De UB-One vereist geen besturingseenheid en kan stand-alone worden bedraad, direct aangesloten op de deurmagneet.
Voor noodgevallen adviseren we het gebruik van een deurmagneet of deurdranger voor extra veiligheid. Vermijd het gebruik van een stootplaat die bij stroomuitval geen uitgang mogelijk maakt. De knop beschikt over een NC “Normally Closed” contact (B1-B2).
Product Sheet Installatie Handleiding




Video op compatible Telefoon of Tablet
Materiaal ook geschikt voor minder valide
Materiaal ontworpen om vandalisme tegen te gaan
Dankzij het beheer op afstand en in realtime zijn de intercoms eenvoudig van tevoren geprogrammeerd en dus direct operationeel. Daarnaast zijn de Intratone-oplossingen compatibel met de al aanwezige apparatuur. Onze electronische sleutels behoren tot de veiligste ter wereld. Tot slot bedragen de kosten voor een intratone installatie vaak 6 a 7 keer minder dan die van een concurrent.
| Drukknop | Ja |
| Contactloos | Ja |
| Montage | Inbouw |
| Afwerking | Mat chroom |
| Verlichte LED-ring | 8 kleuren |
| Hoorbaar statussignaal | 2 tonen |
| Afmetingen | 22mm Diameter - 19mm diameter schroefdraad - 21,8mm diep |
| Voeding | 12V 3A of 24V 1,5A |
| Beschermingsgraad | IP54 |
| Werkingstempratuur | -20°C tot 60°C |